xxxxx

销售热线:400-887-6230

服务热线:400-887-8230

ASIA
中国
한국
Other Countries
SOUTHEAST ASIA
Việt nam
ប្រទេសកម្ពុជា
Indonesia
ประเทศไทย
Philippines
Other Countries
CIS
Россия
Other Countries
EMENA
Europe
Middle East
North Africa
SOUTH ASIA
India
Other Countries
SOUTHEAST ASIA
English
LATIN AMERICA
Español
Other Countries
SUB-SAHARAN AFRICA
English
OCEANIA
English
当前位置:首页新闻资讯 >> 招标公告

森林舞会网页版智能装载机遥控舱底盘招标公告

发布日期:2023-10-16 来源:森林舞会网页版智能 浏览次数:


第一章  招标公告

1、项目概况说明

森林舞会网页版智能装备集团是中南大学何清华教授领衔于1999年创办,现已发展为以上市公司森林舞会网页版智能装备股份有限公司(以下简称“森林舞会网页版智能”代码:002097)为核心,以长沙为总部,以装备制造为主业,在国内外具有一定影响力的国际化企业集团,跻身于全球工程机械企业50强、世界挖掘机企业20强、世界支线飞机租赁前3强。

森林舞会网页版智能装备股份有限公司装载机遥控舱底盘招标由森林舞会网页版智能装备股份有限公司授权的招标小组实施。森林舞会网页版智能装备股份有限公司招标小组负责组织招标事务,并同中标供应商签定正式的购买合同。

本次招标,旨在通过公开邀请符合资质及技术要求的供应商进行综合评比,选择最符合本公司需求的供应商进行合作。本次招标组织实施过程中的所有事项,包括但不限于程序的设定、招标评标人员的选定、招标需求和评标标准的确定等,均由森林舞会网页版智能装备股份有限公司根据本公司及本次招标的实际需要确定并负责解释。森林舞会网页版智能装备股份有限公司对投标方提供之方案和价格有权全部、部分或放弃采纳;投标方提供之标书必须符合招标要求,如有不符事项必须注明。

欢迎广大合格投标人前来竞标。

1、招标文件发布与出售

本项目招标文件将于 2023 1015日至20231022 上午9:00时至11:30时,下午14:00时至17:00时(北京时间,下同),在湖南长沙星沙凉塘东路1335号森林舞会网页版工业城新办公楼四楼商务办公室发布,请投标人派人持本单位介绍信、营业执照(复印件)、经办人身份证前来报名(网络和微信报名可凭以上证件的扫描件报名!)。

整套文件的售价(含电子版)出售价格为 零 元( 不收报名费)。

招标公告发布地址:http://m.answer-a.com

招标文件在报名资格审核通过以后,以邮件的形式发送给投标人

2  招标范围和清单

1、招标范围:

3.1  采购产品:装载机遥控舱底盘。

3.2  本次招标包含产品、售前、售中、售后服务;

3.3  本次招标价格包含增值税、产品包装、运费、保险等一切费用;

3.4  投标人的投标报价应基于以上范围,不可缺少;

2、招标产品标段和清单:

标段

品号

品名

机型

单台用量

年需求用量

1

807P90040000.S1

装载机遥控舱底盘-2023

SWL1751RC遥控装载机

1

100

备注:年采购量为计划采购量,具体交货数量以实际采购订单为准。

3、招标组织时间安排表及联系方式

栏号

目 主 要

1.

项目名称:森林舞会网页版智能装载机遥控舱底盘采购招标

2.

投标货币:人民币

3.

投标有效期:90

4.

投标保证金额:无

5.

本标项目不组织前期集中联络和项目说明会

招标报名时间:20231015日—— 20231022日。

6.

投标文件递交:森林舞会网页版智能装备股份有限公司

地址:湖南长沙星沙凉塘东路1335号森林舞会网页版工业城

7.

投标文件递交截止时间:2023年1027日(周五)上午9

8.

开标时间:2023年1027日(周 五)上午9时,公开开标

开标地点:湖南长沙星沙凉塘东路1335号森林舞会网页版工业城

9.

特别说明:投标文件及开标一览表开标前统一递交,所有文件需按招标文件要求密封,投标概要须单独密封!

招标人地址、项目联络人及联系方式

招标人商务联系人: 王强

联系电话:0731-86407775 ;邮政编码:410100        传真:0731-84020678

邮箱地址:wangqiang@answer-a.com

开 户 行:工行长沙金鹏支行

帐    号:1901018009004723270 号:91430000712164273J

B、森林舞会网页版智能装备股份有限公司有权根据招标情况对本次招标进行暂停、分标、终止等活动。

C、森林舞会网页版智能装备股份有限公司对招标文件有最终解释权。

森林舞会网页版智能装备股份有限公司 招标小组

20231014


第二章 技术要求

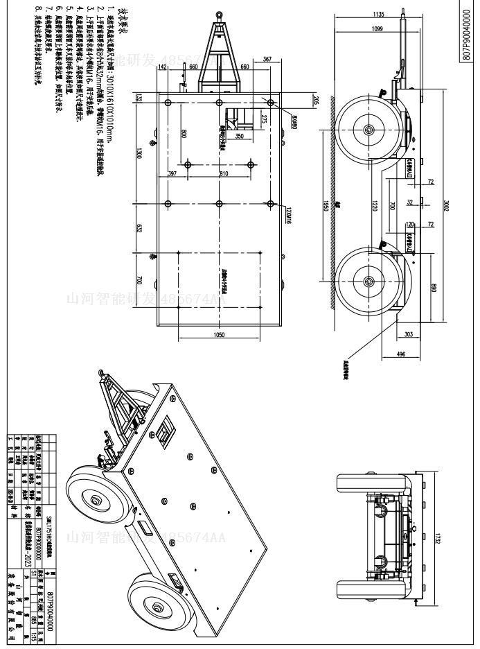
装载机遥控舱底盘技术参数详见图纸和技术协议

1、概述

底盘用于装载机遥控舱,上装操作驾驶室及工具箱。

2、技术要求

1)底盘为牵引杆式越野挂车,设置刹车、灯光;

2)载荷≥2吨;

3)底盘最小离地间隙不小于400毫米;

4)具备牵引行驶接口,最大牵引速度不低于35千米/小时;

5)出具牵引行驶可靠性第三方检测报告,试验要求:负载不低于1000kg,牵引行驶速度不低于35km/h,牵引行驶里程不低于500公里;

6)结构件焊缝打磨光滑、无裂纹、气孔、夹渣等焊接缺陷,重要焊缝质量应符合JB/T 5943-2018A类的要求。

7)涂装技术要求:

①产品涂装与油漆属性:结构件部分喷涂底漆,面漆为GY06军车绿色(按甲方提供的色卡),漆膜厚度40100μm

②涂装前对属具机加面进行防护处理。

③涂层美观无脱落、锈蚀、露底、裂纹、气泡、咬底、针孔、缩孔、碰划伤等表面质量缺陷。

3、产品配置

详细配置最终以甲、乙双方会签确认的图纸为准。

森林舞会网页版智能装载机遥控舱底盘招标公告